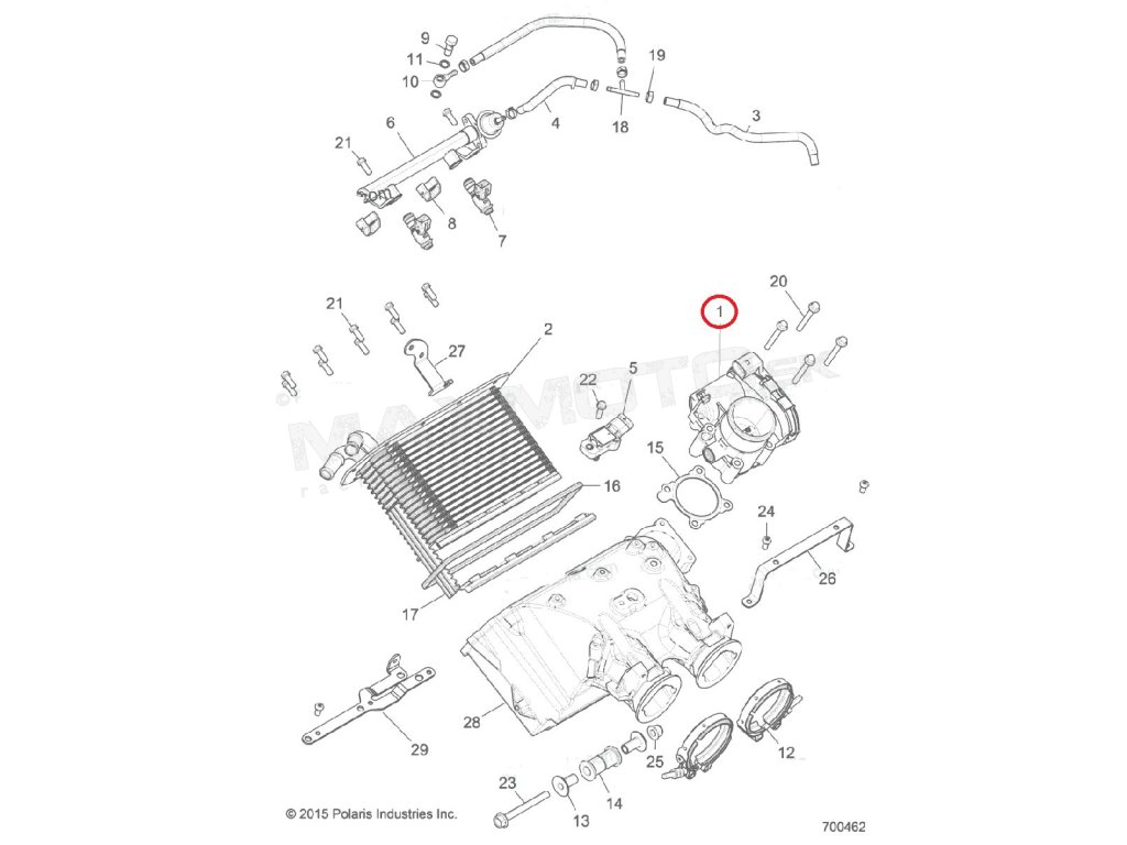
Škrtiaca klapka POLARIS ACE, General, Sportsman, Ranger, RZR, 13-22, 1204455
Popis
Náhrada originálneho dielu:
1204455
Vhodné pre štvorkolky POLARIS:
2013 RANGER 900 XP ALL OPTIONS (R13UH88/UH9E) - Engine, Intake & Throttle Body All Options
2014 RANGER 900 CREW ALL OPTIONS (R14WH88A/9EA) - Engine, Intake & Throttle Body All Options
2015 INTL 570 EFI/EPS FOREST TRACTOR (A15SET57CA/S57CJ/CA) - Engine, Throttle Body & Fuel Rail
2015 INTL 570 TR PRM PS MD (A15SJE57HI) - Engine, Throttle Body & Fuel Rail
2015 INTL RANGER 570 EU (R15RMA57FA) - Engine, Throttle Body & Fuel Rail
2015 INTL RANGER 900 XP EU (R15RTE87FA) - Engine, Intake & Throttle Body
2015 INTL RZR 900 60 INCH EPS (Z15VBE87FK/JK) - Engine, Intake & Throttle Body
2015 INTL SPORTSMAN 570 EFI EPS FOREST QUAD (A15SEB57CA/CJ/SEC57CJ/CA) - Engine, Throttle Body & Fuel Rail
2015 INTL SPORTSMAN 570 EFI EPS MD (A15SEE57HJ/HA) - Engine, Throttle Body & Fuel Rail
2015 INTL SPORTSMAN 570 EFI MD (A15SEA57HA) - Engine, Throttle Body & Fuel Rail
2015 INTL SPORTSMAN 570 EFI TOURING EU (A15SDA57FH) - Engine, Throttle Body & Fuel Rail
2015 INTL SPORTSMAN 570 EFI X2 EPS EUROPE (A15SWE57FA) - Engine, Throttle Body & Fuel Rail
2015 INTL SPORTSMAN 570 SP EPS, QUAD (A15SHC57CS) - Engine, Throttle Body & Fuel Rail
2015 INTL SPORTSMAN 570 SP EPS, TRACTOR (A15SHS57CS) - Engine, Throttle Body & Fuel Rail
2015 INTL SPORTSMAN 570 SP MD (A15SHE57HS) - Engine, Throttle Body & Fuel Rail
2015 INTL SPORTSMAN TOURING 570 EFI MD (A15SDA57HH/HA) - Engine, Throttle Body & Fuel Rail
2015 RANGER 570 FULL SIZE (R15RTA57AA/BA/AR/AC/EAU) - Engine, Throttle Body & Fuel Rail
2015 RANGER 900 XP ALL OPTIONS (R15RTA87/E87) - Engine, Intake & Throttle Body R15rta/E87 All Options
2015 RANGER CREW 570 EFI (R15RNA57AA/AC/AR/E57AS) - Engine, Throttle Body & Fuel Rail
2015 RANGER CREW 570 EFI FULL SIZE (R15RUA57AA/E57AC) - Engine, Throttle Body & Fuel Rail
2015 RANGER CREW 900 ALL OPTIONS (R15RUA87/E87/YAA/ZAC) - Engine, Intake & Throttle Body All Options
2015 RZR 4 900 (Z15VCE87AT/AV) - Engine, Intake & Throttle Body
2015 RZR 900 50/55 INCH ALL OPTIONS (Z15VAA87/E87/X87) - Engine, Intake & Throttle Body Z15va87 All Options
2015 RZR 900 60 INCH ALL OPTIONS (Z15VBA87AJ/LJ/E87AK/AM/AT/LT/AL/AV) - Engine, Intake & Throttle Body
2016 ACE 900 EFI EPS (A16DAE87AL) - Engine, Intake & Throttle Body
2016 INTL RANGER 570 EU (R16RMA57F1/N1/EFH/SF1/2N1) - Engine, Throttle Body & Fuel Rail
2016 INTL RANGER 900 XP EU (R16RTE87F1/U87FK) - Engine, Intake & Throttle Body
2016 INTL RZR 900 60 INCH EPS EU (Z16VBE87FR/NR/JR) - Engine, Intake & Throttle Body
2016 INTL RZR XP TURBO MD (Z16VDE92NH/NW) - Engine, Air Intake Manifold
2016 INTL SPORTSMAN 450 HO 2X4 MD (A16SAA57N1) - Engine, Throttle Body & Fuel Rail
2016 INTL SPORTSMAN 570 EFI UTE MD (A16SUE57F1) - Engine, Throttle Body & Fuel Rail
2016 INTL SPORTSMAN 570 EFI UTE TRACTOR (A16SUS57C1) - Engine, Throttle Body & Fuel Rail
2016 INTL SPORTSMAN 570 EPS UTE QUAD (A16SUC57C1) - Engine, Throttle Body & Fuel Rail
2016 INTL SPORTSMAN 570 SP EPS QUAD (A16SHC57CM) - Engine, Throttle Body & Fuel Rail
2016 INTL SPORTSMAN 570 SP EPS TRACTOR (A16SHS57CM) - Engine, Throttle Body & Fuel Rail
2016 INTL SPORTSMAN 570 SP MD (A16SHE57NM) - Engine, Throttle Body & Fuel Rail
2016 INTL SPORTSMAN 570/450 EFI MD (A16SEA57N1/N7/E57N1/E57N2/BA57N1) - Engine, Throttle Body & Fuel Rail
2016 INTL SPORTSMAN 570/450 EPS QUAD (A16SEB57C1/C2/SEC57C1/C2/CL/SBB57C1) - Engine, Throttle Body & Fuel Rail
2016 INTL SPORTSMAN 570/450 EPS ZUG (A16SES57F1/F2/SBT57F1) - Engine, Throttle Body & Fuel Rail
2016 INTL SPORTSMAN 570/450 TRACTOR (A16SET57C1/C7/SES57C1/C2/SBT57C1) - Engine, Throttle Body & Fuel Rail
2016 INTL SPORTSMAN TOURING 570 EFI EPS MD (A16SDA57N2/E57N2) - Engine, Throttle Body & Fuel Rail
2016 INTL SPORTSMAN TOURING QUAD 570 EPS (A16SDC57C2) - Engine, Throttle Body & Fuel Rail
2016 INTL SPORTSMAN TOURING TRACTOR 570 EFI EPS (A16SDS57C2) - Engine, Throttle Body & Fuel Rail
2016 RANGER 570 (R16RMA57A1/A4/A9/L1/E57AS/A9/H57AR) - Engine, Throttle Body & Fuel Rail R16rma57a1/A4/A9/L1/E57as/Ea9/Har
2016 RANGER 570 FULL SIZE (R16RCA57A1/A4/B1/B4) - Engine, Throttle Body & Fuel Rail
2016 RANGER 570 XP570 FULL SIZE (R16RTA57A1/A4/A9/B1/B4/B9/EAP/EBP) - Engine, Throttle Body & Fuel Rail
2016 RANGER CREW 570 EFI (R16RNA57A1/A9/A4/EAH) - Engine, Throttle Body & Fuel Rail R16rna57a1/A9/A4/E57ah
2016 RANGER CREW 570 XP570 FULL SIZE (R16RVA57A1/B1/E57A9/B9) - Engine, Throttle Body & Fuel Rail
2016 RANGER CREW 570-6 FULL SIZE (R16RDA57A1/B1) - Engine, Throttle Body & Fuel Rail
2016 RZR 1000 60 INCH ALL OPTIONS (Z16VBE99AK/AW/AB) - Engine, Intake & Throttle Body
2016 RZR 4 900 (Z16VCE87AB/AR/AE/AS) - Engine, Intake & Throttle Body
2016 RZR 900 50/55 INCH ALL OPTIONS (Z16VAA87/E87/X87) - Engine, Intake & Throttle Body Z16va87 All Options
2016 RZR 900 60 INCH ALL OPTIONS (Z16VBA87A2/AB/L2/E87AB/AR/LB/AE/AS) - Engine, Intake & Throttle Body
2016 RZR XP 4 TURBO (Z16VFE92AE/AH/AS/AW) - Engine, Air Intake Manifold
2016 RZR XP TURBO (Z16VDE92AE/AH/AV/AS/AW/N8) - Engine, Air Intake Manifold
2016 SPORTSMAN 450 HO (A16SEA45A1/A5/SEE45A1) - Engine, Throttle Body & Fuel Rail
2016 SPORTSMAN 570 EFI UTE HD (A16SUH57N6) - Engine, Throttle Body & Fuel Rail
2017 ACE 570 EFI (A17DAA57A5) - Engine, Throttle Body & Fuel Rail
2017 ACE 570 SP (A17DAE57AM) - Engine, Throttle Body & Fuel Rail
2017 ACE 900 EPS XC (A17DCE87AU) - Engine, Intake & Throttle Body
2017 GENERAL 1000 4 EPS (R17RHE99AU) - Engine, Air Intake Manifold
2017 INTL ACE 570 EFI EURO (A17DAA57F5) - Engine, Throttle Body & Fuel Rail
2017 INTL ACE 570 HD EFI (A17DAH57A5) - Engine, Throttle Body & Fuel Rail
2017 INTL GENERAL 1000 4 MD (R17RHE99NU) - Engine, Air Intake Manifold
2017 INTL GENERAL 1000 EPS MD (R17RGE99NM/NW) - Engine, Air Intake Manifold
2017 INTL RANGER 570 MD (R17RMA57N1) - Engine, Throttle Body & Fuel Rail
2017 INTL RANGER 900 EPS POLAND (R17RTE87FU/F1/S87CU/C1/FU/F1) - Engine, Intake & Throttle Body
2017 INTL RANGER CREW XP1000 6P EPS NB MD (R17RVE99NY) - Engine, Intake & Throttle Body
2017 INTL RZR 570 EU (Z17VHA57FJ) - Engine, Throttle Body And Fuel Rail
2017 INTL RZR 900 50 INCH MD (Z17VAE87NK) - Engine, Intake & Throttle Body
2017 INTL RZR 900 60 INCH EU/TRACTOR (Z17VBS87C2/CB/E87F2) - Engine, Intake & Throttle Body
2017 INTL RZR 900 60 INCH MD (Z17VBE87N2) - Engine, Intake & Throttle Body
2017 INTL RZR XP TURBO MD (Z17VDE92NG/NM/NK) - Engine, Air Intake Manifold
2017 INTL RZR XP TURBO TRACTOR (Z17VDS92CM) - Engine, Air Intake Manifold
2017 INTL RZR XP4 TURBO (Z17VFE92NG/NK/NM) - Engine, Air Intake Manifold
2017 INTL SPORTSMAN 570 6X6 TRACTOR (A17S6S57C1/CM) - Engine, Throttle Body & Fuel Rail
2017 INTL SPORTSMAN 570 EFI UTE (A17SUH57N5) - Engine, Throttle Body & Fuel Rail
2017 INTL SPORTSMAN 570 EPS EU (A17SEA57F1/SEE57F1/F2/FL) - Engine, Throttle Body & Fuel Rail
2017 INTL SPORTSMAN 570 EPS ZUG (A17SES57F1/F2/FL/SET57F1) - Engine, Throttle Body & Fuel Rail
2017 INTL SPORTSMAN 570 TRCTR (A17SES57C1/C2/C7/CL/E1/E2/E7/EL/TC1/C2/E1/E2) - Engine, Throttle Body & Fuel Rail A17ses57c1/C2/C7/Cl/E1/E2/E7/El/Set57c1/C2/E1/E2
2017 INTL SPORTSMAN 570 X2 EPS MD (A17SWE57N1) - Engine, Throttle Body & Fuel Rail
2017 INTL SPORTSMAN 570 X2 EPS TRCTR (A17SWS57C1/C2/E1/E2) - Engine, Throttle Body & Fuel Rail
2017 INTL SPORTSMAN 570/450 EFI MD (A17SEA57N1/EE57N1/NL) - Engine, Throttle Body & Fuel Rail
2017 INTL SPORTSMAN TOURING 570 EFI EPS MD (A17SDE57N2/A57N2) - Engine, Throttle Body & Fuel Rail
2017 INTL SPORTSMAN TOURING 570 EPS TRACTOR (A17SDS57C2/E2) - Engine, Throttle Body & Fuel Rail
2017 R17RV 99 RANGER CREW XP1000 EPS ALL OPTIONS R17RV 99 (R32) - Engine, Intake & Throttle Body R17rv_99 All Options
2017 RANGER 570 (R17RMA57A1/A9/E57AK) - Engine, Throttle Body & Fuel Rail
2017 RANGER 570 EPS HDPE (R17RMH57A4) - Engine, Throttle Body & Fuel Rail
2017 RANGER 570 FULL SIZE (R17RCA57A1/B1/A4/B4) - Engine, Throttle Body & Fuel Rail
2017 RANGER CREW 570 EFI (R17RNA57A1/A9/EAM/ENM) - Engine, Throttle Body & Fuel Rail R17rna57a1/A9/Eam/Nm
2017 RANGER CREW 570 FULL SIZE (R17RDA57A1/B1) - Engine, Throttle Body & Fuel Rail
2017 RANGER CREW 900 6P SP (R17RVA87A1/B1/E87A9/B9) - Engine, Intake & Throttle Body
2017 RANGER XP 900 ALL OPTIONS (R17RT_87) - Engine, Intake & Throttle Body All Options
2017 RZR 1000 60 INCH EPS (Z17VBE99AR/AL/AE) - Engine, Intake & Throttle Body
2017 RZR 4 900 (Z17VCE87AB/AK/AM) - Engine, Intake & Throttle Body
2017 RZR 570 (Z17VHA57A2/E57AU) - Engine, Throttle Body & Fuel Rail
2017 RZR 570 S (Z17VJE57AR) - Engine, Throttle Body & Fuel Rail
2017 RZR 900 50/55 INCH ALL OPTIONS (Z17VAA87/E87/X87) - Engine, Intake & Throttle Body Z17va/E/X87 All Options
2017 RZR 900 60 INCH ALL OPTIONS (Z17VBA87A2/E87AB/AK/AM/LK) - Engine, Intake & Throttle Body
2017 RZR XP TURBO (Z17VDE92AK/AM/LK/AB) - Engine, Air Intake Manifold
2017 RZR XP4 TURBO (Z17VFE92AK/AM/AB) - Engine, Air Intake Manifold
2017 SPORTSMAN 570 EFI (A17SEA57A1/5/7/9/L7/L8/E57A1/7/9/F57A4) - Engine, Throttle Body & Fuel Rail A17sef57a4
2018 900 ACE EPS XC (A18DCE87BB) - Engine, Intake & Throttle Body
2018 ACE 570 (A18DAE57B2) - Engine, Throttle Body & Fuel Rail
2018 GENERAL 1000 4 EPS (R18RHE99BK/K99BS) - Engine, Air Intake Manifold R18rhe99bk/Kbs
2018 GENERAL 1000 EPS (R18RGE99BM/BB/B7/KBS/UB9/BG) - Engine, Air Intake Manifold R18rge99bm/Bb/B7/Kbs/Ub9/Ubg
2018 INTL ACE 570 EFI EURO (A18DAA57F5) - Engine, Throttle Body & Fuel Rail
2018 INTL ACE 570 EFI PS HD (A18DAE57N5) - Engine, Throttle Body & Fuel Rail
2018 INTL GENERAL 1000 4 MD (R18RHE99NK) - Engine, Air Intake Manifold
2018 INTL GENERAL 1000 EPS MD (R18RGE99FM/EFB/SCM/SCB/SFM/CCM) - Engine, Air Intake Manifold
2018 INTL RANGER 570 EPS HDPS EU POLAND (R18RMA57F1/S57C1/F1/CV/T57C1) - Engine, Throttle Body & Fuel Rail
2018 INTL RANGER 900 EPS POLAND (R18RTE87F1/S87C1/F1) - Engine, Intake & Throttle Body
2018 INTL RANGER CREW 570 EPS MD (R18RNE57NV) - Engine, Throttle Body & Fuel Rail
2018 INTL RANGER CREW XP1000 EPS MD (R18RVE99NX) - Engine, Intake & Throttle Body
2018 INTL RZR 570 EU (Z18VHA57F2) - Engine, Throttle Body And Fuel Rail
2018 INTL RZR 900 50 INCH EU/TRACTOR (Z18VAS87CM) - Engine, Intake & Throttle Body
2018 INTL RZR 900 60 INCH EU/TRACTOR (Z18VBE87F2/S87C2/CU) - Engine, Intake & Throttle Body
2018 INTL RZR XP TURBO LATIN (Z18VDE92LS) - Engine, Air Intake Manifold
2018 INTL RZR XP TURBO MD (Z18VDE92NB/NU/LNK) - Engine, Air Intake Manifold
2018 INTL RZR XP TURBO TRACTOR (Z18VDS92CF/CU) - Engine, Air Intake Manifold
2018 INTL RZR XP4 TURBO MD (Z18VFE92NB/NU) - Engine, Air Intake Manifold
2018 INTL SPMN 570 EPS TRCTR (A18SES57C1/C2/C5/C7/E1/E5/E7/PC1/TC1/C7/E1/E7) - Engine, Throttle Body & Fuel Rail A18ses57c1/C2/C5/C7/E1/E5/E7/P57c1/T57c1/C7/E1/E7
2018 INTL SPORTSMAN 570 6X6 EURO (A18S6E57F1) - Engine, Throttle Body & Fuel Rail
2018 INTL SPORTSMAN 570 6X6 TRACTOR (A18S6S57C1/CL) - Engine, Throttle Body & Fuel Rail
2018 INTL SPORTSMAN 570 EFI HD (A18SEF57N5) - Engine, Throttle Body & Fuel Rail
2018 INTL SPORTSMAN 570 EPS EU (A18SEA57F1/SEE57F1/7) - Engine, Throttle Body & Fuel Rail
2018 INTL SPORTSMAN 570 EPS EU SP (A18SHE57FS) - Engine, Throttle Body & Fuel Rail
2018 INTL SPORTSMAN 570 EPS TRACTOR SP (A18SHS57CS/ES) - Engine, Throttle Body & Fuel Rail
2018 INTL SPORTSMAN 570 EPS ZUG (A18SES57F1/F7/SET57F1) - Engine, Throttle Body & Fuel Rail
2018 INTL SPORTSMAN 570 EPS ZUG SP (A18SHS57FS) - Engine, Throttle Body & Fuel Rail
2018 INTL SPORTSMAN 570 X2 EPS EU (A18SWE57F1) - Engine, Throttle Body & Fuel Rail
2018 INTL SPORTSMAN 570 X2 EPS TRACTOR (A18SWS57C1/C2/E2) - Engine, Throttle Body & Fuel Rail
2018 INTL SPORTSMAN TOURING 570 EPS EU (A18SDA57F1/SDE57F1) - Engine, Throttle Body & Fuel Rail
2018 INTL SPORTSMAN TOURING 570 EPS TRACTOR (A18SDS57C5/E5) - Engine, Throttle Body & Fuel Rail
2018 INTL SPORTSMAN TOURING 570 EPS TRACTOR SP (A18SJS57CU) - Engine, Throttle Body & Fuel Rail
2018 R18RRE99A9/AX/AM/AS/A1/B9/BX/BM/BS/B1 RANGER 1000 EPS R18RRE99A9/AX/AM/AS/A1/B9/BX/BM/BS/B1 (R32) - Engine, Air Intake Manifold R18rre99a9/Ax/Am/As/A1/B9/Bx/Bm/Bs/B1
2018 R18RRU99AS/BS RANGER XP1000 EPS NSTR R18RRU99AS/BS (R34) - Engine, Air Intake Manifold R18rru99as/Bs
2018 RANGER 570 (R18RMA57B1/B9/L1/E57BV/N4) - Engine, Throttle Body & Fuel Rail
2018 RANGER 570 FULL SIZE (R18RCA57A1/A4/B4/B1/N1) - Engine, Throttle Body & Fuel Rail
2018 RANGER CREW 1000 EPS (R18RVU99AS) - Engine, Intake & Throttle Body
2018 RANGER CREW 570 (R18RNA57B1/B9/EBV) - Engine, Throttle Body & Fuel Rail
2018 RANGER CREW 570 FULLSIZE (R18RDA57A1/B1) - Engine, Throttle Body & Fuel Rail
2018 RANGER CREW XP1000 EPS ALL OPTIONS (R18RV_99) - Engine, Intake & Throttle Body All Options
2018 RANGER CREW XP900 6P SP (R18RVA87A1/B1/E87A9/B9) - Engine, Intake & Throttle Body
2018 RANGER XP 900 ALL OPTIONS (R18RT_87) - Engine, Intake & Throttle Body All Options
2018 RZR 1000 60 INCH EPS (Z18VBE99BW) - Engine, Intake & Throttle Body
2018 RZR 4 900 (Z18VCE87BK/BU/BR/LU) - Engine, Intake & Throttle Body
2018 RZR 570 (Z18VHA57B2) - Engine, Throttle Body & Fuel Rail
2018 RZR 570 EPS (Z18VHE57BV) - Engine, Throttle Body And Fuel Rail
2018 RZR 900 50 INCH (Z18VAA87B2/E87BM/BW) - Engine, Intake & Throttle Body
2018 RZR 900 60 INCH ALL OPTIONS (Z18VBA87B2/E87BK/BU/LK/BR) - Engine, Intake & Throttle Body
2018 RZR XP TURBO (Z18VDE92BB/BM/BS/BU/L92BK) - Engine, Air Intake Manifold
2018 RZR XP TURBO S (Z18VEL92BK/BR/LK) - Engine, Air Intake Manifold
2018 RZR XP4 TURBO (Z18VFE92BB/BM/BS/BU/LBK) - Engine, Air Intake Manifold
2018 SPORTSMAN 570 EFI (A18SEA57B1/7/9/L2/L5/L7/E57B1/7/9/BK/F57B8) - Engine, Throttle Body & Fuel Rail A18sef57b8
2018 SPORTSMAN 570 EFI UTE (A18SUE57N5) - Engine, Throttle Body & Fuel Rail
2019 ACE 570 (A19DAE57A4) - Engine, Throttle Body & Fuel Rail
2019 ACE 900 EPS XC (A19DCE87AK) - Engine, Intake & Throttle Body
2019 GENERAL 1000 4 EPS RC (R19RHE99AD/BD/LD/K99AK/BK) - Engine, Air Intake Manifold R19rhe99ad/Bd/Ld/Kak/Bk
2019 GENERAL 1000 EPS (R19RG_99A2/AR/BR/AF/BF/AM/BM/A9/B9/AL/BL/AK/BK) - Engine, Air Intake Manifold R19rge99a2/Ear/Ebr/Uaf/Ubf/Uam/Ubm/Ua9/Ub9/Ual/Ubl/Kak/Kbk
2019 INTL ACE 570 EFI PS HD (A19DAE57D5) - Engine, Throttle Body & Fuel Rail
2019 INTL GENERAL 1000 4 EPS EU (R19RHE99ND) - Engine, Air Intake Manifold
2019 INTL GENERAL 1000 EPS EU TR ZUG MD (R19RGE99F2/FF/SC2/SFF/PCF/PFF) - Engine, Air Intake Manifold
2019 INTL RANGER 570 EPS EU POLAND (R19RMA57F1/S57C1/F1) - Engine, Throttle Body & Fuel Rail
2019 INTL RANGER 570 EPS HD (R19RME57D7) - Engine, Throttle Body & Fuel Rail
2019 INTL RANGER CREW XP1000 EPS EU (R19RSE99N1) - Engine, Air Intake Manifold
2019 INTL RANGER XP 1000 EPS HD MD (R19RRE99NS) - Engine, Air Intake Manifold
2019 INTL RANGER XP1000 EPS EU/TR/ZUG (R19RRE99F1/FC/SC1/SCC/SFC/SF1/SJ1/PCC/PFC) - Engine, Air Intake Manifold R19rre99f1/Fc/Sc1/Scc/Sfc/F1/Sj1/Pcc/Pfc
2019 INTL RZR 1000 60 INCH EU/TRACTOR/ZUG (Z19VBE99F2/S99C2/CM) - Engine, Intake & Throttle Body
2019 INTL RZR 570 EU MD (Z19VHA57F2) - Engine, Throttle Body And Fuel Rail
2019 INTL SPMN 570 EPS TRACTOR (A19SEP57C1/SES57C1/2/5/K/SET57C1/2/SEF57C2) - Engine, Throttle Body & Fuel Rail
2019 INTL SPMN 570 EPS TRACTOR (A19SEP57P1/SES57P5/7/SET57P1/7) - Engine, Throttle Body & Fuel Rail
2019 INTL SPORTSMAN 570 6X6 EUN (A19S6E57R1) - Engine, Throttle Body & Fuel Rail
2019 INTL SPORTSMAN 570 6X6 EURO (A19S6E57F1/FL) - Engine, Throttle Body & Fuel Rail
2019 INTL SPORTSMAN 570 EFI UTE (A19SUE57D5) - Engine, Throttle Body & Fuel Rail
2019 INTL SPORTSMAN 570 EPS EU S.R. (A19SHE57FP) - Engine, Throttle Body & Fuel Rail
2019 INTL SPORTSMAN 570 EPS EUN (A19SEA57R1/SEE57R1/7) - Engine, Throttle Body & Fuel Rail
2019 INTL SPORTSMAN 570 EPS EUN SP (A19SHE57RS) - Engine, Throttle Body & Fuel Rail
2019 INTL SPORTSMAN 570 EPS SP TRACTOR (A19SHS57CP) - Engine, Throttle Body & Fuel Rail
2019 INTL SPORTSMAN 570 EPS SP ZUG/LOF (A19SHS57FP) - Engine, Throttle Body & Fuel Rail
2019 INTL SPORTSMAN 570 EPS TRACTOR SP (A19SHS57PS) - Engine, Throttle Body & Fuel Rail
2019 INTL SPORTSMAN 570 EPS ZUG SP (A19SHS57RS) - Engine, Throttle Body & Fuel Rail
2019 INTL SPORTSMAN 570 EPS ZUGLOF (A19SES57F1/F2/SET57F1) - Engine, Throttle Body & Fuel Rail
2019 INTL SPORTSMAN 570 EPS ZUGN (A19SES57R1/7/SET57R1) - Engine, Throttle Body & Fuel Rail
2019 INTL SPORTSMAN 570 EU (A19SEA57F1/SEE57F1/SEE57F2) - Engine, Throttle Body & Fuel Rail
2019 INTL SPORTSMAN 570 UTIL HD (A19SEF57D5) - Engine, Throttle Body & Fuel Rail
2019 INTL SPORTSMAN 570 X2 EPS EU (A19SWE57F1) - Engine, Throttle Body & Fuel Rail
2019 INTL SPORTSMAN 570 X2 EPS EUN (A19SWE57R1) - Engine, Throttle Body & Fuel Rail
2019 INTL SPORTSMAN 570 X2 EPS TRACTOR (A19SWS57P1/P2) - Engine, Throttle Body & Fuel Rail
2019 INTL SPORTSMAN TOURING 570 EPS TRACTOR (A19SDS57C5) - Engine, Throttle Body & Fuel Rail
2019 INTL SPORTSMAN TOURING 570 EPS TRACTOR (A19SDS57P5) - Engine, Throttle Body & Fuel Rail
2019 INTL SPORTSMAN TRNG 570 EPS SP TRACTOR (A19SJS57CH) - Engine, Throttle Body & Fuel Rail
2019 INTL SPORTSMAN TRNG 570 EPS TRACTOR SP (A19SJS57PU) - Engine, Throttle Body & Fuel Rail
2019 INTL SPORTSMAN X2 570 EPS TRACTOR (A19SWS57C1/C2) - Engine, Throttle Body & Fuel Rail
2019 RANGER 1000 FACTORY CHOICE (R19RRE99A/B) - Engine, Air Intake Manifold
2019 RANGER 570 (R19RMA57B1/B9/L7/EBX) - Engine, Throttle Body & Fuel Rail
2019 RANGER 570 FULL SIZE (R19RCA57A1/A4/B1/B4) - Engine, Throttle Body & Fuel Rail
2019 RANGER 900 XP ALL OPTIONS (R19RT_87) - Engine, Intake & Throttle Body All Options
2019 RANGER CREW 570 (R19RNA57B1/B9/EBX) - Engine, Throttle Body & Fuel Rail
2019 RANGER CREW 570 FULL SIZE (R19RDA57A1/B1) - Engine, Throttle Body & Fuel Rail
2019 RANGER CREW 900 EPS (R19RVA87A1/B1/EA9/AH/B9/BH) - Engine, Intake & Throttle Body
2019 RANGER CREW XP 1000 49S FACTORY CHOICE (R19RSE99A) - Engine, Air Intake Manifold
2019 RANGER CREW XP 1000 BACK COUNTRY (R19RSB99A9/B9) - Engine, Air Intake Manifold
2019 RANGER CREW XP 1000 NSTR (R19RSU99A9/AD/B9/BD) - Engine, Air Intake Manifold
2019 RANGER CREW XP 1000 NSTR FACTORY CHOICE (R19RSU99A/B) - Engine, Air Intake Manifold
2019 RANGER CREW XP 1000 NSTR RC (R19RSW99AS/A9/AD/BS/B9/BD) - Engine, Air Intake Manifold
2019 RANGER CREW XP 1000 RC (R19RSK99AS/A9/AD/BS/B9/BD) - Engine, Air Intake Manifold
2019 RANGER CREW XP1000 EPS HIGH LIFTER (R19RSM99AL) - Engine, Air Intake Manifold
2019 RANGER CREW XP1000 EPS NSTR (R19RSU99AS/BS) - Engine, Air Intake Manifold
2019 RANGER XP 1000 EPS (R19RRE99AV/BV/A1/B1/A9/B9/AP/BP/AJ/BJ/AD/BD) - Engine, Air Intake Manifold
2019 RANGER XP 1000 EPS RC (R19RRK99A9/AD/AJ/AP/B9/BD/BJ/BP) - Engine, Air Intake Manifold
2019 RANGER XP 1000 NSTR FACTORY CHOICE (R19RRU99A/B) - Engine, Air Intake Manifold
2019 RANGER XP1000 EPS HIGH LIFTER (R19RRM99AL) - Engine, Air Intake Manifold
2019 RANGER XP1000 EPS NSTR (R19RRU99A9/AD/AJ/AP/B9/BD/BJ/BP) - Engine, Air Intake Manifold
2019 RANGER XP1000 EPS NSTR RC (R19RRW99A9/AD/AJ/AP/B9/BD/BJ/BP) - Engine, Air Intake Manifold
2019 RZR 1000 60 INCH PS (Z19VBE99AM/BM/LM) - Engine, Intake & Throttle Body
2019 RZR 1000S4 (Z19VCE99AM) - Engine, Intake & Throttle Body
2019 RZR 570 (Z19VHA57B2/E57BM) - Engine, Throttle Body And Fuel Rail
2019 RZR 900 50 INCH (Z19VAA87A2/E87AK/AR/AA) - Engine, Intake & Throttle Body
2019 RZR 900 60 INCH ALL OPTIONS (Z19VBA87A2/E87AG/AK/LG) - Engine, Intake & Throttle Body
2019 RZR TURBO 4 (Z19VFE92AC/BC/AD/AM/BM/L92AG/BG) - Engine, Air Intake Manifold Z19vfe92bc/Bd/Bm/Lbg
2019 RZR TURBO 4 (Z19VFE92AC/BC/AD/AM/BM/L92AG/BG) - Engine, Air Intake Manifold Z19vfe92ac/Ad/Am/Lag
2019 RZR XP 4 TURBO S VELOCITY (Z19VPE92AM/BM) - Engine, Air Intake Manifold Z19vpe92am
2019 RZR XP 4 TURBO S VELOCITY (Z19VPE92AM/BM) - Engine, Air Intake Manifold Z19vpe92bm
2019 RZR XP TURBO (Z19VDE92AC/BC/AD/BD/AM/BM/LM/L92AG/BG) - Engine, Air Intake Manifold Z19vde92ac/Am/Ad/Lm/Lag
2019 RZR XP TURBO (Z19VDE92AC/BC/AD/BD/AM/BM/LM/L92AG/BG) - Engine, Air Intake Manifold Z19vde92bc/Bd/Bm/Lbg
2019 RZR XP TURBO S (Z19VEL92AK/BK/AR/BR/LR/AM/BM) - Engine, Air Intake Manifold Z19vel92ak/Ar/Lr/Am
2019 RZR XP TURBO S (Z19VEL92AK/BK/AR/BR/LR/AM/BM) - Engine, Air Intake Manifold Z19vel92bk/Br/Bm
2019 RZR XP TURBO S VELOCITY (Z19VEE92AM/BM) - Engine, Air Intake Manifold Z19vee92bm
2019 RZR XP TURBO S VELOCITY (Z19VEE92AM/BM) - Engine, Air Intake Manifold Z19vee92am
2019 RZR XP4 TURBO S (Z19VPL92AK/BK/AR/BR/AM/BM) - Engine, Air Intake Manifold Z19vpl92ak/Ar/Am
2019 RZR XP4 TURBO S (Z19VPL92AK/BK/AR/BR/AM/BM) - Engine, Air Intake Manifold Z19vpl92bk/Br/Bm
2019 SPORTSMAN 570 EFI (A19SEA57B1/5/9/L2/L7/E57B1/5/9/FB4/YB5/ZBZ) - Engine, Throttle Body & Fuel Rail A19sef57b4
2020 INTL GENERAL 1000 DLX ABS EPS EU TR ZUG (G20GAE99F2/EFS/BFM/BCM/SFS/SC2) - Engine, Air Intake Manifold
2020 INTL GENERAL 4 1000 EPS EU (G20G4E99NG) - Engine, Air Intake Manifold
2020 INTL RANGER 570 EPS HDPE HD (R20MAE57D7) - Engine, Throttle Body & Fuel Rail
2020 INTL RANGER 570 LTN (R20MAA57L7) - Engine, Throttle Body & Fuel Rail
2020 INTL RANGER CREW 570 LTN (R20M4A57L1) - Engine, Throttle Body & Fuel Rail
2020 INTL RANGER CREW XP1000 EPS (R20RSE99NP) - Engine, Air Intake Manifold
2020 INTL RANGER XP1000 EPS HD (R20RRE99DS) - Engine, Air Intake Manifold
2020 INTL RANGER XP1000 EPS IS/EU (R20RRE99J1) - Engine, Air Intake Manifold
2020 INTL RANGER XP1000 EU/TR/ZUG (R20RRE99F1/F9/FK/SC1/C9/CK/SF1/F9/FK/PCF/FF) - Engine, Air Intake Manifold R20rre99f1/F9/Fk/S99c1/C9/Ck/S99f1/F9/Fk/P99cf/Ff
2020 INTL RZR S 1000 EPS TRACTOR (Z20ASS99C2/CH) - Engine, Intake & Throttle Body
2020 INTL SPORTSMAN 570 6X6 EURO (A20S6E57F1/FL) - Engine, Throttle Body & Fuel Rail
2020 INTL SPORTSMAN 570 EPS EU (A20SEA57F1/E57F1) - Engine, Throttle Body & Fuel Rail
2020 INTL SPORTSMAN 570 EPS EU TRACTOR ZUGLOF (A20SEF57C1/SC1/C2/C5/C9/CK/CY/F1/F2) - Engine, Throttle Body & Fuel Rail A20sef57c1/S57c1/C2/C5/C9/Ck/Cy/F1/F2
2020 INTL SPORTSMAN 570 EPS HD UTILITY AUS/NZ (A20SUE57D5) - Engine, Throttle Body & Fuel Rail
2020 INTL SPORTSMAN 570 EU TRACTOR ZUGLOF (A20SET57C1/C2/F1) - Engine, Throttle Body & Fuel Rail
2020 INTL SPORTSMAN 570 HD EPS AUS/NZ (A20SEF57D5) - Engine, Throttle Body & Fuel Rail
2020 INTL SPORTSMAN 570 PREMIUM EU TRACTOR ZUGLOF (A20SHE57FP/S57CP/FP/CU) - Engine, Throttle Body & Fuel Rail
2020 INTL SPORTSMAN 570 X2 EU/ZUG TRACTOR (A20SWE57F1/S57C1/C2) - Engine, Throttle Body & Fuel Rail
2020 INTL SPORTSMAN TOURING 570 EPS EU/ZUG TRACTOR (A20SDE57F1/S57C5) - Engine, Throttle Body & Fuel Rail
2020 INTL SPORTSMAN TOURING 570 EPS/LATIN (A20SDA57A5/L4/E57A4/B4) - Engine, Throttle Body & Fuel Rail, Evap A20sde57b4
2020 INTL SPORTSMAN TOURING 570 PREMIUM TRACTOR (A20SJS57CH) - Engine, Throttle Body & Fuel Rail
2020 RANGER 1000 FULLSIZE EPS FO (R20TAU99AS/AM/AZ/BS/BM/BZ) - Engine, Air Intake Manifold R20tau99as/Am/Az
2020 RANGER 570 FULL SIZE (R20CCA57A1/A7/B1/B7) - Engine, Throttle Body & Fuel Rail
2020 RANGER CREW 1000 EPS FS (R20T6A99A1/B1/E99A9/AM/AS/B9/BM/BS) - Engine, Air Intake Manifold
2020 RANGER CREW 1000 FULLSIZE EPS FO (R20T6U99AM/AS/BM/BS) - Engine, Air Intake Manifold R20t6u99am/As
2020 RANGER CREW 1000 FULLSIZE EPS FO (R20T6U99AM/AS/BM/BS) - Engine, Air Intake Manifold Evap R20t6u99bm/Bs
2020 RANGER CREW 570 (R20M4A57B1/B9/EBH) - Engine, Throttle Body & Fuel Rail
2020 RANGER CREW 570 FULL SIZE (R20CDA57A1/B1) - Engine, Throttle Body & Fuel Rail
2020 RANGER CREW XP1000 BACK COUNTRY FC (R20RSB99A/B) - Engine, Air Intake Manifold, Evap, 50S R20rsb99b
2020 RANGER CREW XP1000 BACK COUNTRY FC (R20RSB99A/B) - Engine, Air Intake Manifold
2020 RANGER CREW XP1000 EPS (R20RSE99AA/AP/AX/A9/BA/BP/BX/B9) - Engine, Air Intake Manifold 49S R20rse99aa/Ap/Ax/A9
2020 RANGER CREW XP1000 EPS (R20RSE99AA/AP/AX/A9/BA/BP/BX/B9) - Engine, Air Intake Manifold 50S R20rse99ba/Bp/Bx/B9
2020 RANGER CREW XP1000 EPS HIGH LIFTER (R20RSM99AL) - Engine, Air Intake Manifold
2020 RANGER CREW XP1000 EPS NSTR (R20RSU99AA/AX/A9/AP/BA/BX/B9/BP) - Engine, Air Intake Manifold
2020 RANGER CREW XP1000 EPS NSTR RC (R20RSW99AA/AP/AX/A9/BA/BP/BX/B9) - Engine, Air Intake Manifold
2020 RANGER CREW XP1000 EPS TX CA (R20RSF99AV/BV) - Engine, Air Intake Manifold
2020 RANGER CREW XP1000 FC (R20RSE99A/B) - Engine, Air Intake Manifold Evap 50S R20rse99/B
2020 RANGER CREW XP1000 FC (R20RSE99A/B) - Engine, Air Intake Manifold R20rse99/A
2020 RANGER CREW XP1000 NSTR FC (R20RSU99A/B) - Engine, Air Intake Manifold Evap 50S R20rsu99/B
2020 RANGER CREW XP1000 NSTR FC (R20RSU99A/B) - Engine, Air Intake Manifold
2020 RANGER CREW XP1000 NSTR PREMIUM (R20RSX99A9/AA/AP/AX/B9/BA/BP/BX) - Engine, Air Intake Manifold Evap R20rsx99b9/Ba/Bp/Bx
2020 RANGER CREW XP1000 NSTR PREMIUM (R20RSX99A9/AA/AP/AX/B9/BA/BP/BX) - Engine, Air Intake Manifold R20rsx99a9/Aa/Ap/Ax
2020 RANGER CREW XP1000 NSTR ULTIMATE (R20RSY99A9/AA/AP/AX/B9/BA/BP/BX) - Engine, Air Intake Manifold R20rsy99a9/Aa/Ap/Ax
2020 RANGER CREW XP1000 NSTR ULTIMATE (R20RSY99A9/AA/AP/AX/B9/BA/BP/BX) - Engine, Air Intake Manifold Evap R20rsy99b9/Ba/Bp/Bx
2020 RANGER CREW XP1000 NSTR ULTIMATE AUD (R20RSZ99A9/AA/AP/AX/B9/BA/BP/BX) - Engine, Air Intake Manifold Evap R20rsz99b9/Ba/Bp/Bx
2020 RANGER CREW XP1000 NSTR ULTIMATE AUD (R20RSZ99A9/AA/AP/AX/B9/BA/BP/BX) - Engine, Air Intake Manifold R20rsz99a9/Aa/Ap/Ax
2020 RANGER CREW XP1000 RC (R20RSK99AA/AX/A9/AP/BA/BX/B9/BP) - Engine, Air Intake Manifold
2020 RANGER CREW XP1000 WINTER PREP FC (R20RSR99A/B) - Engine, Air Intake Manifold 49S R20rsr99/A
2020 RANGER CREW XP1000 WINTER PREP FC (R20RSR99A/B) - Engine, Air Intake Manifold Evap 50S R20rsr99/B
2020 RANGER XP1000 BACK COUNTRY FC (R20RRB99A/B) - Engine, Air Intake Manifold R20rrb99/A
2020 RANGER XP1000 BACK COUNTRY FC (R20RRB99A/B) - Engine, Air Intake Manifold Evap 50S R20rrb99/B
2020 RANGER XP1000 EPS (R20RRE99AA/AF/AP/AX/A9/BA/BF/BP/BX/B9) - Engine, Air Intake Manifold R20rre99aa/Af/Ap/Ax/A9
2020 RANGER XP1000 EPS (R20RRE99AA/AF/AP/AX/A9/BA/BF/BP/BX/B9) - Engine, Air Intake Manifold, Evap R20rre99ba/Bf/Bp/Bx/B9
2020 RANGER XP1000 EPS HIGH LIFTER (R20RRM99AL) - Engine, Air Intake Manifold
2020 RANGER XP1000 EPS NSTR (R20RRU99A9/AA/AF/AP/AX/B9/BA/BF/BP/BX) - Engine, Air Intake Manifold
2020 RANGER XP1000 EPS NSTR RC (R20RRW99A9/AA/AF/AP/AX/B9/BA/BF/BP/BX) - Engine, Air Intake Manifold
2020 RANGER XP1000 EPS RC (R20RRK99A9/AA/AF/AP/AX/B9/BA/BF/BP/BX) - Engine, Air Intake Manifold
2020 RANGER XP1000 FC (R20RRE99A/B) - Engine, Air Intake Manifold Evap 50S R20rre99b
2020 RANGER XP1000 FC (R20RRE99A/B) - Engine, Air Intake Manifold R20rre99a
2020 RANGER XP1000 NSTR FC (R20RRU99A/B) - Engine, Air Intake Manifold R20rru99/A
2020 RANGER XP1000 NSTR FC (R20RRU99A/B) - Engine, Air Intake Manifold Evap 50S R20rru99/A
2020 RANGER XP1000 NSTR ULTIMATE (R20RRY99A9/AA/AF/AP/AX/B9/BA/BF/BP/BX) - Engine, Air Intake Manifold Evap
2020 RANGER XP1000 NSTR ULTIMATE (R20RRY99A9/AA/AF/AP/AX/B9/BA/BF/BP/BX) - Engine, Air Intake Manifold
2020 RANGER XP1000 NSTR ULTIMATE AUDIO (R20RRZ99A9/AA/AF/AP/AX/B9/BA/BF/BP/BX) - Engine, Air Intake Manifold Evap
2020 RANGER XP1000 NSTR ULTIMATE AUDIO (R20RRZ99A9/AA/AF/AP/AX/B9/BA/BF/BP/BX) - Engine, Air Intake Manifold
2020 RANGER XP1000 PREMIUM NSTR (R20RRX99A9/AA/AF/AP/AX/B9/BA/BF/BP/BX) - Engine, Air Intake Manifold Evap R20rrx99b9/Ba/Bf/Bp/Bx
2020 RANGER XP1000 TEXAS (R20RRF99AV/BV) - Engine, Air Intake Manifold
2020 RANGER XP1000 WINTER PREP FC (R20RRR99A/B) - Engine, Air Intake Manifold 49S R20rrr99/A
2020 RANGER XP1000 WINTER PREP FC (R20RRR99A/B) - Engine, Air Intake Manifold Evap 50S R20rrr99/B
2020 RZR 570 (Z20CHA57A2/E57AM) - Engine, Throttle Body And Fuel Rail
2020 RZR 900 50 INCH (Z20A5A87B2/E87BP/BK/BX) - Engine, Intake & Throttle Body
2020 RZR 900 EPS RC (Z20A5K87BG) - Engine, Intake & Throttle Body
2020 RZR PRO XP (Z20RA_92AC/BC/AK/BK/AR/BR/AE/BE/AH/BH/AT/BT) - Engine, Air Intake Manifold
2020 RZR PRO XP 4 (Z20R4_92AC/BC/AK/BK/AR/BR/LE/LT/LC/AH/BH/AT/BT) - Engine, Air Intake Manifold Z20r4_92Ac/Bc/Ae/Be/Ak/Bk/Ar/Br/Ah/Bh/At/Bt/Le/Lt/Lc
2020 RZR S 1000 EPS (Z20ASE99AH/LH/BH) - Engine, Intake & Throttle Body
2020 RZR S4 1000 (Z20A4E99AH/LH/BH) - Engine, Intake & Throttle Body Z20a4e99ah/Bh/Lh
2020 RZR TRAIL S 900 60 INCH ALL OPTIONS (Z20ASA87B2/E87BH/BW/LW) - Engine, Intake & Throttle Body
2020 RZR TURBO PRO XP LT (Z20RAB92LR/D92LC/E92LT) - Engine, Air Intake Manifold
2020 RZR TURBO S (Z20PAL92AG/AP/BG/BP/LG/G92AG/AP/LG) - Engine, Air Intake Manifold Z20pal92ag/Ap/Lg
2020 RZR TURBO S (Z20PAL92AG/AP/BG/BP/LG/G92AG/AP/LG) - Engine, Air Intake Manifold Z20pal92bg/Bp/G92ag/Ap/Lg
2020 RZR TURBO S 4 (Z20P4L92AG/AP/BG/BP/LG/G92AG/AP/LG) - Engine, Air Intake Manifold Z20p4l92bg/Bp/G92ag/Ap/Lg
2020 RZR TURBO S 4 (Z20P4L92AG/AP/BG/BP/LG/G92AG/AP/LG) - Engine, Air Intake Manifold Z20p4l92ag/Ap/Lg
2020 RZR TURBO S 4 VELOCITY (Z20P4E92AC/BC/F92AC) - Engine, Air Intake Manifold Z20p4e92bc/E92ac/F92ac
2020 RZR TURBO S VELOCITY (Z20PAE92AC/BC/F92AC/LC) - Engine, Air Intake Manifold Z20pae92bc
2020 RZR TURBO S VELOCITY (Z20PAE92AC/BC/F92AC/LC) - Engine, Air Intake Manifold Z20paf92ac/Lc
2020 RZR TURBO S VELOCITY (Z20PAE92AC/BC/F92AC/LC) - Engine, Air Intake Manifold Z20pae92ac
2020 RZR XP 4 TURBO (Z20N4E92AL/AR/BL/BR/F92AL/AR) - Engine, Air Intake Manifold Z20n4e92al/Ar
2020 RZR XP 4 TURBO (Z20N4E92AL/AR/BL/BR/F92AL/AR) - Engine, Air Intake Manifold Z20n4e92bl/Br/F92al/Ar
2020 RZR XP TURBO (Z20NAE92AL/AR/BL/BR/FAL/AR) - Engine, Air Intake Manifold Z20nae92al/E92ar
2020 RZR XP TURBO (Z20NAE92AL/AR/BL/BR/FAL/AR) - Engine, Air Intake Manifold Z20nae92bl/E92br/F92al/F92ar
2020 SPORTSMAN 570 (A20SEA57A1/A4/A7/A9/B1/B4/B7/B9) - Engine, Throttle Body & Fuel Rail, Evap A20sea57b1/B4/B7/B9
2020 SPORTSMAN 570 EPS (A20SEE57A1/A4/A7/A9/B1/B4/B7/B9) - Engine, Throttle Body & Fuel Rail, Evap A20see57b1/B4/B7/B9
2020 SPORTSMAN 570 EPS UTILITY PACKAGE (A20SEJ57A1/A4/A7/A9/B1/B4/B7/B9) - Engine, Throttle Body & Fuel Rail, Evap A20sej57b1/B4/B7/B9
2020 SPORTSMAN 570 PREMIUM/PREMIUM LE (A20SHE57AN/AF/BN/BF/Z57AX/BX) - Engine, Throttle Body & Fuel Rail, Evap A20she57bn/Bf/Z57bx
2020 SPORTSMAN 570 UTLILITY PACKAGE (A20SEG57A1/A4/A7/A9/B1/B4) - Engine, Throttle Body & Fuel Rail, Evap A20seg57b1/B4
2020 SPORTSMAN TOURING 570 PREMIUM (A20SJE57AX/BX) - Engine, Throttle Body & Fuel Rail, Evap A20sje57bx
2021 INTL GENERAL 1000 DELUXE EPS EU (G21GAB99CM/FM) - Engine, Air Intake Manifold
2021 INTL GENERAL 4 1000 DELUXE EU (G21G4E99NW) - Engine, Air Intake Manifold
2021 INTL RANGER 1000 FULL SIZE EPS EU TRACTOR ZUG (R21TAE99FA/SFA/SCA/SCK) - Engine, Air Intake Manifold
2021 INTL RANGER 1000 FULL SIZE IS EU (R21TAE99JA) - Engine, Air Intake Manifold
2021 INTL RANGER 1000 PS HD (R21RRE99DP) - Engine, Air Intake Manifold
2021 INTL RANGER 570 EPS EU ZUG TRACTOR (R21MAA57F1/F9/MAS57F1/F9/C1/C9/CK) - Engine, Throttle Body & Fuel Rail R21maa57f1/F9/Sf1/F9/C1/C9/Ck Rgrthrottlebody15570)
2021 INTL RANGER 570 EPS HDPE HD (R21MAE57D7) - Engine, Throttle Body & Fuel Rail
2021 INTL RANGER CREW XP 1000 (R21RSE99NP) - Engine, Air Intake Manifold
2021 INTL RANGER XP 1000 EPS EU (R21RRE99FP/F9) - Engine, Air Intake Manifold
2021 INTL RANGER XP 1000 EPS EU/IS (R21RRE99JA) - Engine, Air Intake Manifold
2021 INTL RANGER XP 1000 EPS EU/TR/ZUG (R21RRS99C9/CK/CP/F9/FP/PCW) - Engine, Air Intake Manifold
2021 INTL RZR TRAIL S 1000 EPS EU/TRACTOR (Z21ASE99F5/S99C5) - Engine, Intake & Throttle Body
2021 INTL SPORTSMAN 570 6X6 EURO (A21S6E57F1/FL) - Engine, Throttle Body & Fuel Rail
2021 INTL SPORTSMAN 570 EPS EU 3PC (A21SEE57K2) - Engine, Throttle Body & Fuel Rail
2021 INTL SPORTSMAN 570 EPS EU/ZUG TRACTOR (A21SEE57F1/F57C1/F1/S57C1/C2/C5/C9/CK/F1/F2/FK) - Engine, Throttle Body & Fuel Rail
2021 INTL SPORTSMAN 570 EU/ZUG TRACTOR (A21SEA57F1/T57C1/C2/F1) - Engine, Throttle Body & Fuel Rail
2021 INTL SPORTSMAN 570 PREMIUM EU/ZUG TRACTOR (A21SHE57FM/S57FM/CM/CU) - Engine, Throttle Body & Fuel Rail
2021 INTL SPORTSMAN 570 X2 EU/ZUG TRACTOR (A21SWE57F1/S57C1/C2) - Engine, Throttle Body & Fuel Rail
2021 INTL SPORTSMAN TOURING 570 EPS EU 3PC (A21SDE57K4) - Engine, Throttle Body & Fuel Rail
2021 INTL SPORTSMAN TOURING 570 EPS TRACTOR (A21SDS57C4) - Engine, Throttle Body & Fuel Rail
2021 INTL SPORTSMAN TOURING 570 PREMIUM TRACTOR (A21SJS57CX) - Engine, Throttle Body & Fuel Rail
2021 RANGER 1000 FULL SIZE (R21TAA99A1/A7/B1/B7) - Engine, Air Intake Manifold
2021 RANGER 1000 PS FULL SIZE (R21TAE99A1/A7/A9/AG/AP/AS/B1/B7/B9/BG/BP/BS) - Engine, Air Intake Manifold
2021 RANGER 1000 PS FULL SIZE (R21TAU99AP/AG/BP/BG) - Engine, Air Intake Manifold
2021 RANGER 570 (R21MAA57B1/B9/EBX) - Engine, Throttle Body & Fuel Rail
2021 RANGER 570 FULL SIZE (R21CCA57A1/A7) - Engine, Throttle Body & Fuel Rail
2021 RANGER CREW 1000 PS (R21T6A99A1/B1) - Engine, Air Intake Manifold
2021 RANGER CREW 1000 PS EVAP (R21T6E99A9/AG/AP/B9/BG/BP) - Engine, Air Intake Manifold
2021 RANGER CREW 1000 PS WP EVAP (R21T6U99AP/AG/BP/BG) - Engine, Air Intake Manifold
2021 RANGER CREW 570 (R21M4A57B1/B9/EBX) - Engine, Throttle Body & Fuel Rail
2021 RANGER CREW 570 FULL SIZE (R21CDA57A1) - Engine, Throttle Body & Fuel Rail
2021 RANGER CREW XP 1000 BIG GAME EVAP (R21RSJ99A9/B9) - Engine, Air Intake Manifold
2021 RANGER CREW XP 1000 NSTR (R21RSU99A9/AC/AP/AW/B9/BC/BP/BW) - Engine, Air Intake Manifold
2021 RANGER CREW XP 1000 NSTR PREM AUDIO (R21RSZ99A9/AC/AP/AW/B9/BC/BP/BW) - Engine, Air Intake Manifold
2021 RANGER CREW XP 1000 NSTR TRAIL BOSS EVAP (R21RSV99AC/BC) - Engine, Air Intake Manifold
2021 RANGER CREW XP 1000 NSTR UL (R21RSY99A9/AC/AP/AW/B9/BC/BP/BW) - Engine, Air Intake Manifold
2021 RANGER CREW XP 1000 PS (R21RSE99A9/AC/AP/AW/B9/BC/BP/BW) - Engine, Air Intake Manifold
2021 RANGER CREW XP 1000 PS HIGH LIFTER (R21RSM99AG) - Engine, Air Intake Manifold
2021 RANGER CREW XP 1000 RC (R21RSK99A9/AP/AW/B9/BP/BW) - Engine, Air Intake Manifold
2021 RANGER CREW XP 1000 TRAIL BOSS EVAP (R21RSH99AC/BC) - Engine, Air Intake Manifold
2021 RANGER CREW XP 1000 WATERFOWL EVAP (R21RSB99AZ/BZ) - Engine, Air Intake Manifold
2021 RANGER XP 1000 (R21RRE99A9/AC/AP/AW/B9/BC/BP/BW) - Engine, Air Intake Manifold
2021 RANGER XP 1000 BIG GAME EVAP (R21RRJ99A9/B9) - Engine, Air Intake Manifold
2021 RANGER XP 1000 HIGH LIFTER (R21RRM99AG) - Engine, Air Intake Manifold
2021 RANGER XP 1000 NSTR (R21RRU99A9/AC/AP/AW/B9/BC/BP/BW) - Engine, Air Intake Manifold
2021 RANGER XP 1000 NSTR TRAIL BOSS EVAP (R21RRV99AC/BC) - Engine, Air Intake Manifold
2021 RANGER XP 1000 NSTR UL (R21RRY99A9/AC/AP/AW/B9/BC/BP/BW) - Engine, Air Intake Manifold
2021 RANGER XP 1000 PS NSTR (R21RRZ99A9/AC/AP/AW/B9/BC/BP/BW) - Engine, Air Intake Manifold
2021 RANGER XP 1000 PS NSTR (R21RRZ99A9/AC/AP/AW/B9/BC/BP/BW) - Engine, Air Intake Manifold Evap
2021 RANGER XP 1000 RC (R21RRK99A9/AP/AW/B9/BP/BW) - Engine, Air Intake Manifold
2021 RANGER XP 1000 TEXAS (R21RRF99AK) - Engine, Air Intake Manifold
2021 RANGER XP 1000 WATERFOWL EVAP (R21RRB99AZ/BZ) - Engine, Air Intake Manifold
2021 RZR 900 TRAIL/TRAIL S (Z21A5A87B2/P87B5/K87B4/SA87B2) - Engine, Intake & Throttle Body
2021 RZR PRO XP 4 PREMIUM (Z21R4C92AL/AX/BL/BX) - Engine, Air Intake Manifold
2021 RZR PRO XP 4 PREMIUM CA (Z21R4C92BF) - Engine, Air Intake Manifold
2021 RZR PRO XP 4 SPORT (Z21R4E92AG/AS/BG/BS) - Engine, Air Intake Manifold
2021 RZR PRO XP 4 SPORT CA (Z21R4E92BD/BJ) - Engine, Air Intake Manifold
2021 RZR TRAIL 570/PREMIUM (Z21CHA57A2/K2/E57AK) - Engine, Throttle Body And Fuel Rail
2021 RZR TRAIL S 1000 EPS (Z21ASE99A5/B5/K99A4/B4) - Engine, Intake & Throttle Body
2021 RZR TURBO S (Z21PAE92AE/AN/BE/BN/L92AL/AT/BL/BT) - Engine, Air Intake Manifold
2021 RZR TURBO S4 (Z21P4E92AE/AN/BE/BN/L92AL/AT/BL/BT) - Engine, Air Intake Manifold
2021 RZR XP 4 TURBO (Z21N4E92AX/AG/BG/BX) - Engine, Air Intake Manifold
2021 RZR XP TURBO (Z21NAE92AG/BG/AX/BX) - Engine, Air Intake Manifold
2021 SPORTSMAN 570 EPS (A21SEE57A1/A3/A5/A7/A9/B1/B3/B5/B7/B9) - Engine, Throttle Body & Fuel Rail A21ee57b1/B3/B5/B7/B9
2021 SPORTSMAN 570 SP TRAIL PACKAGE (A21SHY57AL/BL/Z57AD/BD) - Engine, Throttle Body & Fuel Rail A21shy57bl/Z57ad/Bd
2021 SPORTSMAN 570 TRAIL PACKAGE (A21SEZ57AM/AN/BM/BN) - Engine, Throttle Body & Fuel Rail A21sez57bm/Bn
2021 SPORTSMAN 570 UTILITY EPS (A21SEJ57A1/A3/A5/B1/B3/B5) - Engine, Throttle Body & Fuel Rail A21sej57b1/B3/B5
2021 SPORTSMAN 570 UTILITY LE (A21SEK57AG/BG) - Engine, Throttle Body & Fuel Rail
2021 SPORTSMAN TOURING 570 EPS (A21SDE57A4/B4) - Engine, Throttle Body & Fuel Rail A21sde57b4
2021 SPORTSMAN TOURING 570 PREMIUM (A21SJE57AX/BX) - Engine, Throttle Body & Fuel Rail A21sje57bx
2022 GENERAL 1000 DELUXE EPS (G22GAD99AP/BP) - Engine, Air Intake Manifold, Throttle Body, Fuel Rail
2022 GENERAL 1000 DELUXE RC (G22GAJ99AP/BP) - Engine, Air Intake Manifold, Throttle Body, Fuel Rail
2022 GENERAL 1000 PREMIUM EPS (G22GAP99AM/BM) - Engine, Air Intake Manifold, Throttle Body, Fuel Rail
2022 GENERAL 1000 SPORT EPS (G22GAE99A4) - Engine, Air Intake Manifold, Throttle Body, Fuel Rail
2022 GENERAL 4 1000 DELUXE RC (G22G4J99AP/BP) - Engine, Air Intake Manifold, Throttle Body, Fuel Rail
2022 GENERAL 4 1000 PREMIUM EPS (G22G4P99AM/BM) - Engine, Air Intake Manifold, Throttle Body, Fuel Rail
2022 GENERAL XP 1000 DELUXE (G22GXD99AC/AJ/BC/BJ) - Engine, Air Intake Manifold, Throttle Body, Fuel Rail
2022 GENERAL XP 1000 DELUXE RC (G22GXJ99AC/AJ/BC/BJ) - Engine, Air Intake Manifold, Throttle Body, Fuel Rail
2022 GENERAL XP 1000 HUNTER (G22GXH99AL/BL) - Engine, Air Intake Manifold, Throttle Body, Fuel Rail
2022 GENERAL XP 1000 LE TROY LEE (G22GXK99AR/BR) - Engine, Air Intake Manifold, Throttle Body, Fuel Rail
2022 GENERAL XP 1000 TRAILHEAD LE (G22GXK99AP/BP) - Engine, Air Intake Manifold, Throttle Body, Fuel Rail
2022 GENERAL XP SPORT 1000 (G22GXE99AC/AJ/BC/BJ) - Engine, Air Intake Manifold, Throttle Body, Fuel Rail
2022 GENERAL XP SPORT 1000 HUNTER (G22GXE99AL/BL) - Engine, Air Intake Manifold, Throttle Body, Fuel Rail
2022 GENERAL XP4 1000 DELUXE (G22GMD99AC/AJ/BC/BJ) - Engine, Air Intake Manifold, Throttle Body, Fuel Rail
2022 GENERAL XP4 1000 DELUXE LIMITED LE TROY LEE (G22GMK99AR/BR) - Engine, Air Intake Manifold, Throttle Body, Fuel Rail
2022 GENERAL XP4 1000 DELUXE RC EDITION (G22GMJ99AC/AJ/BC/BJ) - Engine, Air Intake Manifold, Throttle Body, Fuel Rail
2022 GENERAL XP4 1000 HUNTER (G22GMH99AL/BL) - Engine, Air Intake Manifold, Throttle Body, Fuel Rail
2022 GENERAL XP4 1000 TRAILHEAD LE (G22GMK99AP/BP) - Engine, Air Intake Manifold, Throttle Body, Fuel Rail
2022 GENERAL XP4 SPORT 1000 (G22GME99AC/AJ/BC/BJ) - Engine, Air Intake Manifold, Throttle Body, Fuel Rail
2022 GENERAL XP4 SPORT 1000 HUNTER (G22GME99AL/BL) - Engine, Air Intake Manifold, Throttle Body, Fuel Rail
2022 INTL GENERAL 1000 DELUXE EPS EU (G22GAB99CP/FP) - Engine, Air Intake Manifold, Throttle Body, Fuel Rail
2022 INTL GENERAL 4 1000 DELUXE EU (G22G4E99NP) - Engine, Air Intake Manifold, Throttle Body, Fuel Rail
2022 INTL RANGER 1000 FULL SIZE EPS EU TRACTOR ZUG (R22TAE99FA/SFA/SCA/SCK) - Engine, Air Intake Manifold
2022 INTL RANGER 570 EPS HDPE HD (R22MAE57DX) - Engine, Throttle Body & Fuel Rail
2022 INTL RANGER 570 EU ZUG TRACTOR NORDIC PRO (R22MAA57F1/SF1/C1/C9/F9/CK) - Engine, Throttle Body & Fuel Rail R22maa57f1/Sf1/F9/C1/C9/Ck
2022 INTL RANGER CREW 1000 FULL SIZE PS (R22T6E99NG) - Engine, Air Intake Manifold
2022 INTL RANGER CREW XP 1000 (R22RSE99NM) - Engine, Air Intake Manifold
2022 INTL RANGER XP 1000 EPS (R22RRE99JA) - Engine, Air Intake Manifold
2022 INTL RANGER XP 1000 EPS EU/TR/ZUG (R22RRS99C9/CK/CM/F9/FM/EF9/EFM/PCG) - Engine, Air Intake Manifold
2022 INTL RANGER XP 1000 PS HD (R22RRE99DP) - Engine, Air Intake Manifold
2022 INTL SPMN 570 EPS EU/ZUG TRACTOR (A22SEE57F1/F57C1/F1/S57C1/C2/C5/C9/CK/F1/F2/F5/F9/FK) - Engine, Throttle Body & Fuel Rail
2022 INTL SPORTSMAN 570 6X6 EURO (A22S6E57F1/FL) - Engine, Throttle Body & Fuel Rail
2022 INTL SPORTSMAN 570 EU/ZUG TRACTOR (A22SEA57F1/T57C1/C2/F1) - Engine, Throttle Body & Fuel Rail
2022 INTL SPORTSMAN 570 PREMIUM EU/ZUG TRACTOR (A22SHE57FM/S57FM/CM/CU) - Engine, Throttle Body & Fuel Rail
2022 INTL SPORTSMAN TOURING 570 EPS EU 3PC (A22SDE57K4) - Engine, Throttle Body & Fuel Rail
2022 INTL SPORTSMAN TOURING 570 EPS TRACTOR (A22SDS57C4) - Engine, Throttle Body & Fuel Rail
2022 RANGER 1000 FS PREMIUM WINTER (R22TAU99A9/AN) - Engine, Air Intake Manifold /B9
2022 RANGER 1000 FULL SIZE (R22TAA99A1/A7) - Engine, Air Intake Manifold
2022 RANGER 1000 PREMIUM PS FULL SIZE (R22TAE99AG/AL/AN/A9) - Engine, Air Intake Manifold
2022 RANGER 1000 PS FULL SIZE (R22TAE99A1/A7/B1) - Engine, Air Intake Manifold R22tae99a1/A7
2022 RANGER 570 FULL SIZE (R22CCA57A1/A7) - Engine, Throttle Body & Fuel Rail
2022 RANGER 570 NSTR (R22MAU57B5) - Engine, Throttle Body & Fuel Rail
2022 RANGER CREW 1000 (R22T6A99A1/B1) - Engine, Air Intake Manifold
2022 RANGER CREW 1000 PREMIUM (R22T6E99A9/AG/AN/B9/BG/BN) - Engine, Air Intake Manifold
2022 RANGER CREW 1000 PREMIUM WINTER (R22T6U99A9/AN) - Engine, Air Intake Manifold
2022 RANGER CREW 570 FULL SIZE (R22CDA57A1) - Engine, Throttle Body & Fuel Rail
2022 RANGER CREW 570 NSTR (R22M4U57B5) - Engine, Throttle Body & Fuel Rail
2022 RANGER CREW 570 RC (R22M4K57B4/B2) - Engine, Throttle Body & Fuel Rail
2022 RANGER CREW XP 1000 BIG GAME EVAP (R22RSJ99A9/B9) - Engine, Air Intake Manifold
2022 RANGER CREW XP 1000 HIGH LIFTER (R22RSM99AG) - Engine, Air Intake Manifold
2022 RANGER CREW XP 1000 NSTR (R22RSU99A9/AC/AM/AS/B9/BC/BM/BS) - Engine, Air Intake Manifold
2022 RANGER CREW XP 1000 NSTR ULT (R22RSY99A9/AC/AM/AS/B9/BC/BM/BS/1A9/AC/AM/AS/B9/BC/BM/BS) - Engine, Air Intake Manifold
2022 RANGER CREW XP 1000 NSTR ULTIMATE TRAIL BOSS EVAP (R22RSV99AG/BG/2AG/2BG) - Engine, Air Intake Manifold
2022 RANGER CREW XP 1000 PREMIUM (R22RSE99A9/AC/AM/AS/B9/BM/BC/BS) - Engine, Air Intake Manifold
2022 RANGER CREW XP 1000 PS TX CA (R22RSF99AK) - Engine, Air Intake Manifold
2022 RANGER CREW XP 1000 TRAIL BOSS EVAP (R22RSH99AG/BG) - Engine, Air Intake Manifold
2022 RANGER CREW XP 1000 WATERFOWL EVAP (R22RSB99AZ/BZ) - Engine, Air Intake Manifold
2022 RANGER XP 1000 (R22RRE99AC/AM/AS/A9/B9/BS/BM) - Engine, Air Intake Manifold
2022 RANGER XP 1000 BIG GAME EVAP (R22RRJ99A9/B9) - Engine, Air Intake Manifold
2022 RANGER XP 1000 HIGH LIFTER (R22RRM99AG) - Engine, Air Intake Manifold
2022 RANGER XP 1000 NSTR EVAP (R22RRU99A9/AC/AM/AS/B9/BC/BS/BM) - Engine, Air Intake Manifold
2022 RANGER XP 1000 NSTR ULTIMATE TRAIL BOSS (R22RRV99AG/2AG/2BG) - Engine, Air Intake Manifold
2022 RANGER XP 1000 TRAIL BOSS EVAP (R22RRH99AG/BG) - Engine, Air Intake Manifold
2022 RANGER XP 1000 WATERFOWL EVAP (R22RRB99AZ/BZ) - Engine, Air Intake Manifold
2022 RZR 900 TRAIL (Z22A5A87A2) - Engine, Intake & Throttle Body
2022 RZR PRO XP 4 PREMIUM (Z22R4C92AF) - Engine, Air Intake Manifold
2022 RZR PRO XP 4 SPORT (Z22R4E92AD/AJ) - Engine, Air Intake Manifold
2022 RZR PRO XP 4 ULTIMATE (Z22R4D92AB/AK) - Engine, Air Intake Manifold
2022 RZR PRO XP 4 ULTIMATE ROCKFORD FOSGATE LE (Z22M4U92AP/BP) - Engine, Air Intake Manifold
2022 RZR PRO XP PREMIUM (Z22RAC92AF) - Engine, Air Intake Manifold
2022 RZR PRO XP SPORT (Z22RAE92AD/AJ) - Engine, Air Intake Manifold
2022 RZR PRO XP ULTIMATE (Z22RAD92AB/AK) - Engine, Air Intake Manifold
2022 RZR PRO XP ULTIMATE ROCKFORD FOSGATE LE (Z22MAU92AP/BP) - Engine, Air Intake Manifold
2022 RZR TRAIL 570 (Z22CHA57A2/K2) - Engine, Throttle Body And Fuel Rail
2022 RZR TRAIL 900 PREMIUM (Z22A5P87A5) - Engine, Intake & Throttle Body
2022 RZR TRAIL S 1000 PREMIUM (Z22ASE99A5/B5) - Engine, Intake & Throttle Body
2022 RZR TRAIL S 900 SPORT (Z22ASA87A2) - Engine, Intake & Throttle Body
2022 SPORTSMAN 570 EPS EBS ULTIMATE TRAIL 49S (A22SHZ57AE) - Engine, Throttle Body & Fuel Rail
2022 SPORTSMAN 570 SP TRAIL PACKAGE (A22SHY57AL/BL) - Engine, Throttle Body & Fuel Rail
2022 SPORTSMAN 570 SP TRAIL PACKAGE RIDE COMMAND (A22SHR57AJ) - Engine, Throttle Body & Fuel Rail
2022 SPORTSMAN 570 TRAIL PACKAGE (A22SEZ57AM/AN/BM/BN) - Engine, Throttle Body & Fuel Rail A22sez57bn/Bm
2022 SPORTSMAN 570 UTILITY EPS (A22SEJ57A1/A3/A5/B1/B3/B5) - Engine, Throttle Body & Fuel Rail A22sej57b1/B3/B5
2022 SPORTSMAN 570 UTILITY LE (A22SEK57AD) - Engine, Throttle Body & Fuel Rail
2022 SPORTSMAN TOURING 570 EPS (A22SDE57A4/B4) - Engine, Throttle Body & Fuel Rail A22sde57b4
2022 SPORTSMAN TOURING 570 PREMIUM (A22SJE57AX/BX) - Engine, Throttle Body & Fuel Rail A22sje57bx
Buďte prvý, kto napíše príspevok k tejto položke.
