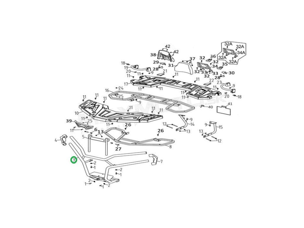
Ochranný rám LINHAI Landforce 650L Promax, predný, 38649
Popis
Číslo 3 na schéme.
Vhodné pre štvorkolky LINHAI:
Landforce 650L Promax T3b EFI
Pridať komentár
M
Linhai 550l
Matej
Poprosím info,pasuje tento ochranný rám aj na linhai 550l?
